Hochleistungs-Ampel mit roten/gelben/grünen Pfeilen
Mehr lesen
Produkteinführung:
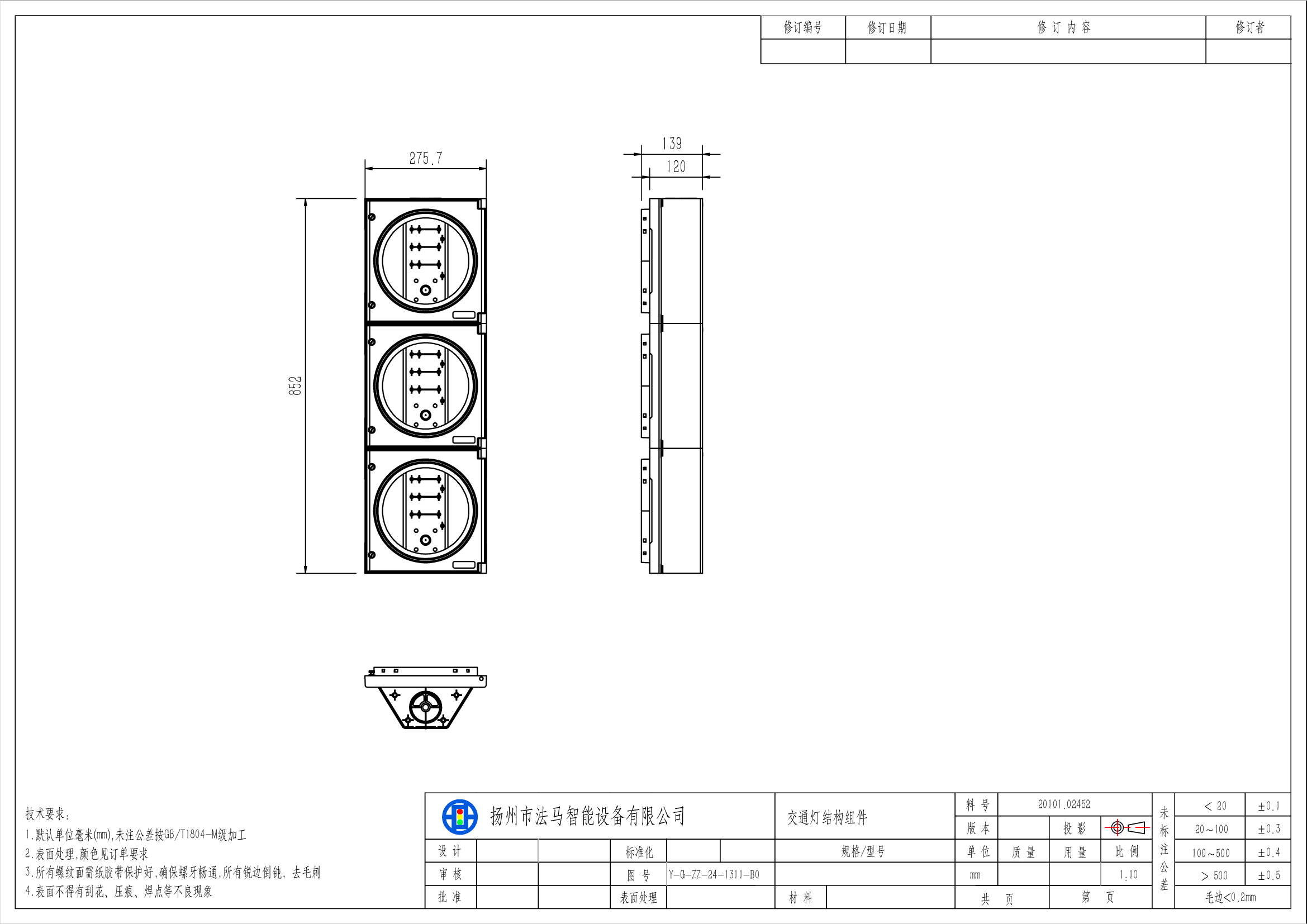
Die Hochleistungs-Rot/Gelb/Grün-Vollkugelampel besteht aus drei Einheiten. Der Lampenkern umfasst unter anderem eine großflächige Lichtquelle, dreilagige optische Linsen, ein Netzteil, einen Lampenschirm und ein externes Kühlmodul. Der optische Mechanismus arbeitet mit einer dreistufigen optischen Verarbeitung, um die Lichtausbeute zu erhöhen, das von der Lichtquelle emittierte Punktlicht zu streuen und neu zu fokussieren und so eine gleichmäßige Flächenbeleuchtung zu erzeugen. Sie eignet sich für eine Vielzahl von Ampelanlagen an Kreuzungen.
| Produktmodell | JD100-3-FM35 | JD200-3-FM35 | JD300-3-FM35 |
| Größe der lichtemittierenden Oberfläche (LES) | 100 mm | 200 mm | 300 mm |
| Gehäusematerial | Polycarbonatgehäuse | Polycarbonatgehäuse | Polycarbonatgehäuse |
| Maskenfarbe | Farbig | Farbig | Farbig |
| Maskenform | Bogenförmig | Bogenförmig | Bogenförmig |
| Betriebsspannung / Frequenz | AC 85–264 V / 47–63 Hz | AC 85–264 V / 47–63 Hz | AC 85–264 V / 47–63 Hz |
| LED-Anzahl | R/Y/G: 1 Stück | R/Y/G: 3 Stück | R/Y/G: 4 Stück |
| Lampenstromverbrauch | Rote volle Kugel ≤ 3 W Gelbe volle Kugel ≤ 3 W Grüne volle Kugel ≤ 3 W | Rote volle Kugel ≤ 8 W Gelbe volle Kugel ≤ 10 W Grüne volle Kugel ≤ 12 W | Rote volle Kugel ≤ 10 W, Gelbe volle Kugel ≤ 13 W , Grüne volle Kugel ≤ 15 W |
| Lichtstärke | 110 cd ~ 200 cd | 230 cd ~ 350 cd | 400 cd bis 1000 cd |
| LED-Wellenlänge | Rot: 616–628 nm; Gelb: 589–592 nm ; Grün: 500–510 nm | Rot: 616–628 nm; Gelb: 589–592 nm ; Grün: 500–510 nm | Rot: 616–628 nm; Gelb: 589–592 nm ; Grün: 500–510 nm |
| LED-Lebensdauer | ≥100.000 Stunden | ≥100.000 Stunden | ≥100.000 Stunden |
| Isolationswiderstand | >2MΩ | >2MΩ | |
| Betriebstemperatur | -40℃ bis +80℃ | -40℃ bis +80℃ | -40℃ bis +80℃ |
| Relative Luftfeuchtigkeit | ≤97% RH | ≤97% RH | ≤97% RH |
| Schutzklasse | IP55 | IP55 | IP55 |
| Sichtweite | ≥300 m | ≥300 m | ≥300 m |
| Verpackungsspezifikationen | 1 Stück pro Karton, Größe: 48 × 17 × 19 cm, Gewicht: 3,1 ± 0,5 kg | 1 Stück pro Karton, Größe: 95 × 29 × 23 cm, Gewicht: 7,9 ± 0,5 kg | 1 Stück pro Karton, Größe: 112 × 39 × 28 cm, Gewicht: 13,5 ± 0,5 kg |


