Produkteinführung:
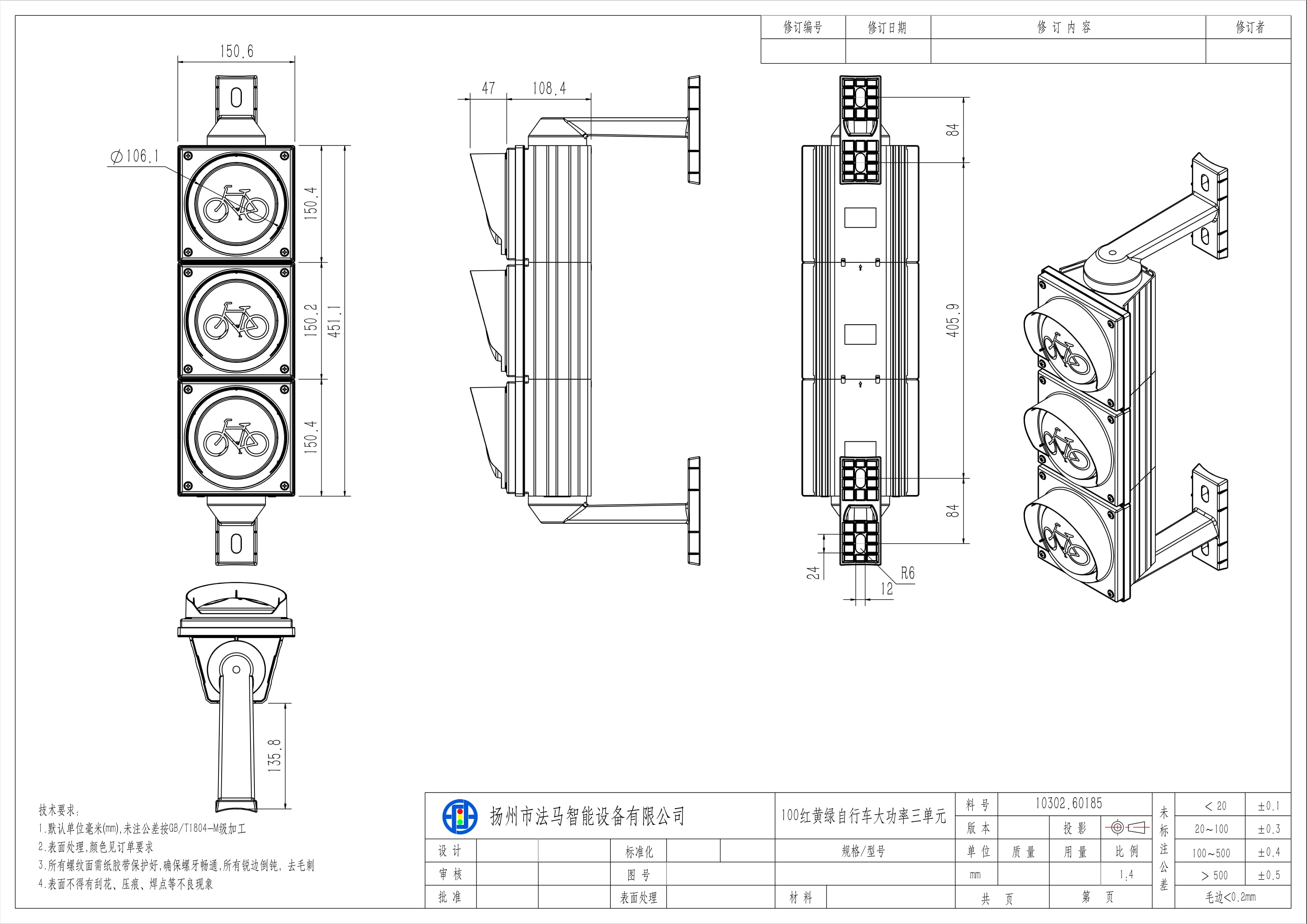
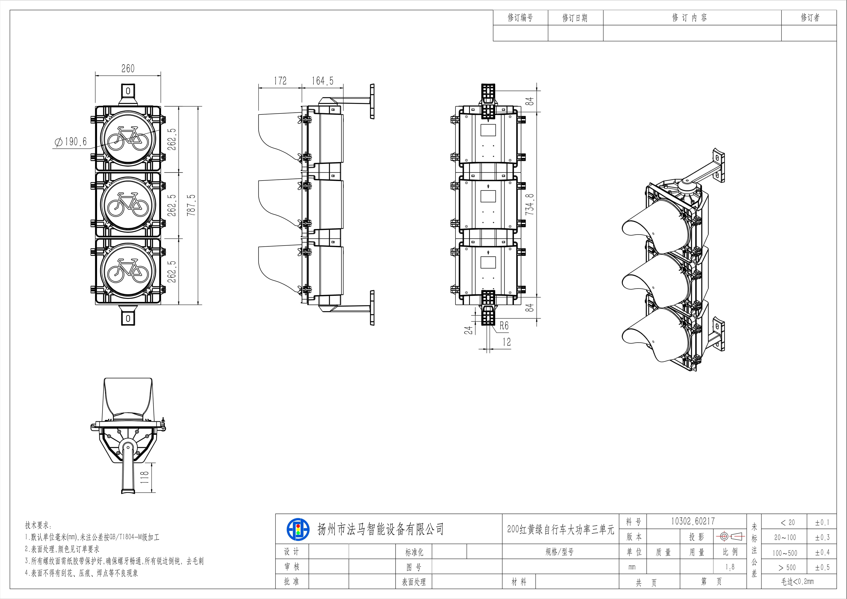
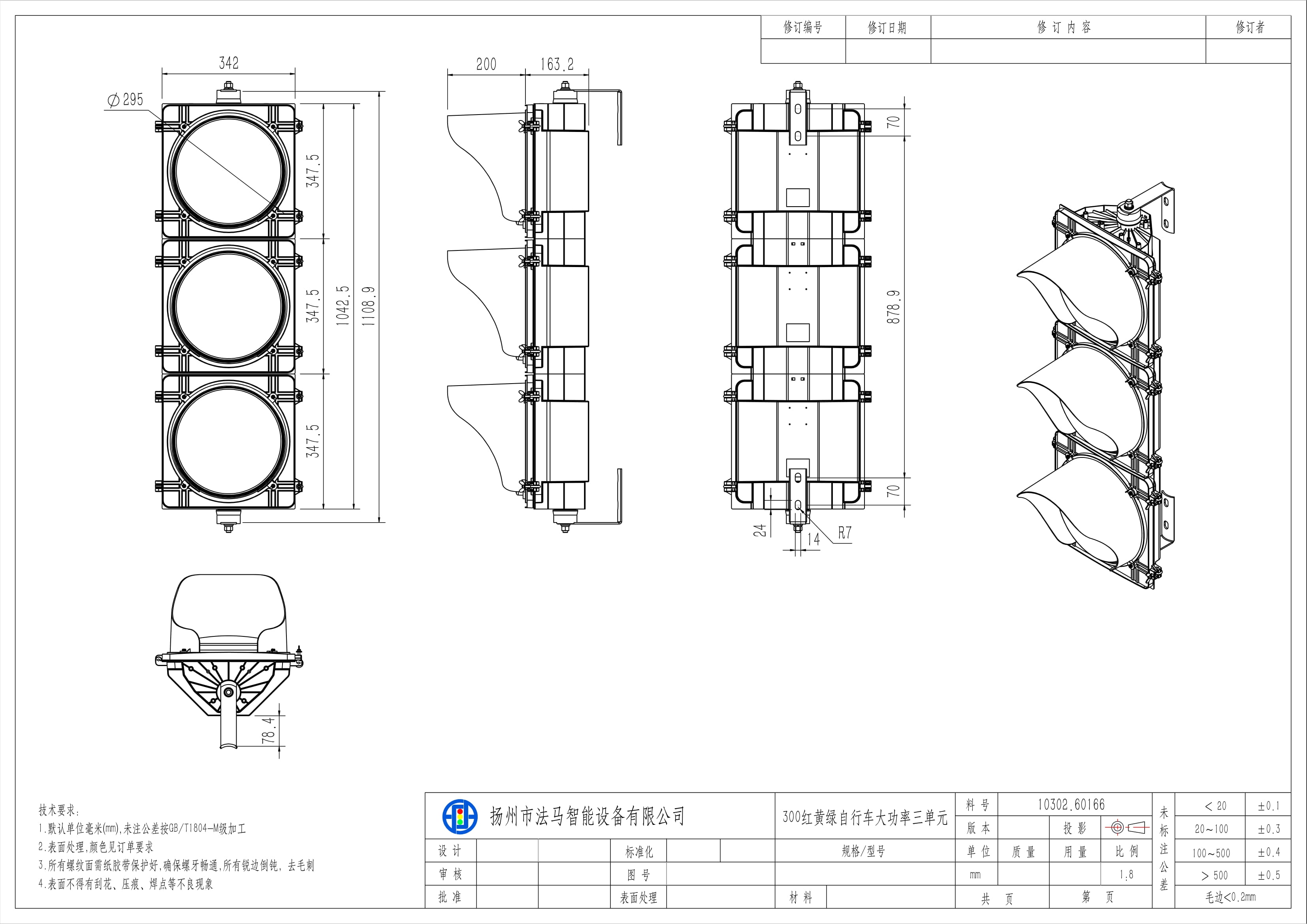
Die High Flux Fahrradampel besteht aus drei Einheiten. Der Leuchtenkern besteht aus großformatigen Lichtquellen, einem dreischichtigen optischen Linsensystem, Leistungsmodulen, einer Leuchtenschale und externen Wärmeableitungskomponenten. Der optische Mechanismus arbeitet mit einer dreischichtigen optischen Verarbeitung, um die Lichtausbeute zu erhöhen, das von der Lichtquelle emittierte Punktlicht zu streuen und neu zu fokussieren und so eine gleichmäßige Flächenlichtabgabe zu erzeugen. Die Ampel ist für ampelgeregelte Kreuzungen mit Fahrradwegen geeignet.
| Produktmodell | FJ100-3-FM35 | FJ200-3-FM35 | FJ300-3-FM35 |
| Größe der lichtemittierenden Oberfläche (LES) | 100 | 200 | 300 |
| Gehäusematerial | Aluminiumgehäuse/ Polycarbonat-Gehäuse | Polycarbonat-Gehäuse | Polycarbonat-Gehäuse |
| Maskenfarbe | Transparent | Farbig | Farbig |
| Visiere | φ129,5 x 47 mm | φ208x175mm | φ293x200mm |
| Form des LES | Runden | Runden | Runden |
| Betriebsspannung/Frequenz | Wechselstrom: 85 bis 264 V/47 bis 63 Hz | Wechselstrom: 85 bis 264 V/47 bis 63 Hz | Wechselstrom: 85 bis 264 V/47 bis 63 Hz |
| LED-Anzahl | R/Y/G: 1 Stück | R/Y/G: 2 Stück | R/Y/G: 4 Stück |
| LED-Wellenlänge | Rot: 625 ± 5 nm Gelb: 590 ± 5 nm Grün: 505 ± 5 nm | Rot: 625 ± 5 nm Gelb: 590 ± 5 nm Grün: 505 ± 5 nm | Rot: 625 ± 5 nm Gelb: 590 ± 5 nm Grün: 505 ± 5 nm |
| LED-Lebensdauer | ≥100.000 Stunden | ≥100.000 Stunden | ≥100.000 Stunden |
| Betriebstemperatur | -40℃ bis +80℃ | -40℃ bis +80℃ | -40℃ bis +80℃ |
| Relative Luftfeuchtigkeit | ≤97 % relative Luftfeuchtigkeit | ≤97 % relative Luftfeuchtigkeit | ≤97 % relative Luftfeuchtigkeit |
| Lampenstromverbrauch | Rotes Fahrrad ≤ 3,2 W Gelbes Fahrrad ≤ 3,2 W Grünes Fahrrad ≤ 3,2 W | Rotes Fahrrad ≤ 6,3 W Gelbes Fahrrad ≤ 6,3 W Grünes Fahrrad ≤ 5,5 W | Rotes Fahrrad ≤ 10 W Gelbes Fahrrad ≤ 13 W Grünes Fahrrad ≤ 13 W |
| Schutzgrad | IP65 | IP65 | IP65 |
| Visuelle Distanz | ≥300 m | ≥300 m | ≥300 m |
| Verpackungsspezifikationen | 1 Stück pro Karton, Größe: 65 × 22 × 26 cm, Gewicht: 3,1 ± 0,5 kg | 1 Stück pro Karton, Größe: 96,5 × 35,5 × 27 cm, Gewicht: 5,75 ± 0,5 KG | 1 Stück pro Karton, Größe: 120 × 40,8 × 28,8 cm, Gewicht: 12,5 ± 0,5 KG |


